Le regard en fonte C 250 est un élément indispensable pour les infrastructures de voirie et les réseaux enterrés.
Conçu selon la norme EN 124-2, il répond aux exigences de la classe de charge C 250, ce qui le rend adapté aux zones carrossables, piétonnes et légères.
Fabriqué en fonte ductile, ce regard garantit une résistance mécanique élevée, notamment grâce à sa charge de rupture de 400 kN.
Sa finition peinte en noir est spécialement conçue pour s’intégrer parfaitement sur des surfaces asphaltées, assurant une protection contre la corrosion.
Points forts :
-
Conforme à la norme EN 124-2, classe C 250
-
Fonte ductile assurant solidité et durabilité
-
Charge de rupture élevée à 400 kN
-
Finition noire adaptée aux voiries asphaltées
-
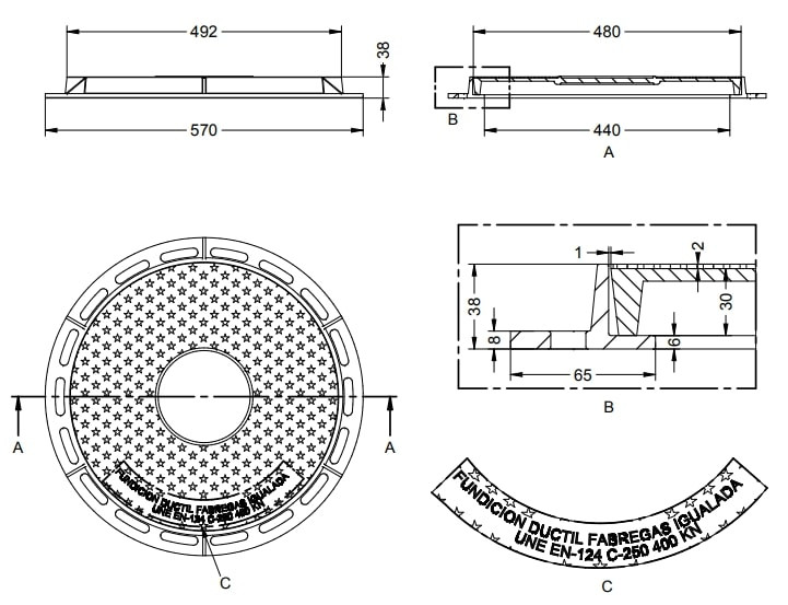
Diamètre extérieur standard de 570 mm pour une installation facile
Un regard en fonte robuste conforme aux normes en vigueur
Notre regard en fonte C 250 est conçu selon la norme européenne EN 124-2, garantissant sa fiabilité et sa sécurité dans les applications de voirie et d’assainissement.
La classe C 250 indique que ce regard peut supporter des charges allant jusqu’à 25 tonnes.
Idéal pour les zones à trafic modéré telles que les voies piétonnes, trottoirs, parkings ou routes secondaires.
Cette conformité assure une installation en toute confiance sur vos chantiers.
Fonte ductile pour une résistance mécanique optimale
La fonte ductile utilisée pour ce regard est reconnue pour ses propriétés mécaniques supérieures à la fonte classique.
Elle offre une excellente résistance à la traction et à la flexion, ce qui lui permet de supporter des charges importantes sans risque de déformation.
Avec une charge de rupture de 400 kN, ce regard protège efficacement les réseaux enterrés contre les sollicitations extérieures.
Finition noire adaptée à la voirie asphaltée
La finition peinte en noir sur asphalte assure une parfaite intégration esthétique dans les environnements urbains.
Cette couche protège également la fonte contre la corrosion et les agressions extérieures, prolongeant la durée de vie du produit et réduisant les besoins en maintenance.
Ainsi, votre infrastructure reste sécurisée et fonctionnelle plus longtemps.
Dimensions standardisées pour une installation facile
Avec un diamètre extérieur de 570 mm et une hauteur de 38 mm, ce regard est conçu pour une installation rapide et compatible avec la majorité des réseaux existants.
Ces dimensions facilitent l’ajustement sur chantier et garantissent un maintien stable une fois en place.
Applications multiples pour la voirie et l’assainissement
Ce regard en fonte est idéal pour sécuriser les accès aux réseaux d’assainissement, aux câbles, ou aux équipements enterrés.
Que ce soit pour des travaux publics, des zones industrielles ou des espaces urbains, il répond aux exigences de robustesse, de sécurité et de conformité.
Son utilisation garantit l’intégrité des réseaux tout en facilitant leur maintenance.