Support à rouleau auge
Code fiche produit : 3002887
Support à rouleau auge Caractéristiques générales : Supports pour rouleaux, D = 60 et 70, axe 15 méplats 8, Norme E 53300 – α = 20 ou 30° en
Voir la description détaillée
Imprimer
Les professionnels ont aussi consulté ces produits
Support à rouleau auge
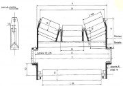
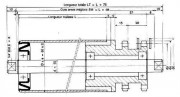
Caractéristiques générales :
- Supports pour rouleaux, D = 60 et 70, axe 15 méplats 8, Norme E 53300 – α = 20 ou 30° en standard (autre angles à la demande)
- Toutes autres dimensions sur demande notamment pour rouleaux norme NFE 53301
- Supports avec pincement (sans pincement sur demande)
- Raidisseur sur demande à partir de bande 650
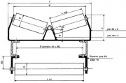
Caractéristiques techniques :
Bande
400
500
600
650
700
800
D
60/70
60/70
60/70
60/70
60/70
60/70
L sup.
150
190
230
240
250
290
H
70
70
70
70
70
70
E
466
566
666
716
766
866
T
560
680
780
830
870
980
M α = 20°
178
218
258
268
278
318
M α = 30°
182
222
262
272
282
322
F α = 20°
150
160
177
179
182
197
F α = 30°
177
195
207
220
225
247
N α = 20°
500
620
734
775
790
905
N α = 30°
480
585
700
740
750
865
Poids kg
4
4.5
5.5
5.8
6
6.6
L inf.
475
575
675
725
775
875
Fiche technique de Support a rouleau auge
Support à rouleau auge
Code fiche produit : 3002887
Prix sur demande
Autres produits de ce fournisseur
Demandes de devis pour Support à rouleau auge
29/04/2020 Bonjour, consultation pour réparation sur transporteur dans une aciérie merci de me communiquer un prix unitaire pour ce type de station. Cdlt
25/09/2018 50 supports pour bande largeur 600 en auge 30° largeur rouleaux : 230 mm
05/09/2015 demande de prix merci salutation
29/06/2015 80 supports pour des tubes . Diametre des tubes:560mm. Charges:1000 kg .
test